首页
|
关于我们
关于贵航
社会责任
人才招聘
|
定制/报价
|
3C数码
其他数码类
电芯
手持测试设备
手机/平板电脑
智能音箱
移动电源
|
动力锂电池
AGV/RGV
无人机电池
观光车/高尔夫车/叉车
机器人系列
电动工具
两轮/三轮车
医疗大健康
船舶/游艇
工业设备
其他动力应用
|
储能电池及系统
便携式户外电源
家庭储能
太阳能路灯
工商业储能
通讯基站/UPS
铅改锂
摩托车与汽车启动
|
新闻中心
|
联系我们
大
客户对
接
线上运营总监:
021-35052209
当前位置:
首页
>
51.2V 58Ah便携拖拉式黑色户外储能电源
1/1
上一个
下一个
51.2V 58Ah便携拖拉式黑色户外储能电源
分享
微信
新浪微博
QQ
QQ空间
豆瓣网
百度贴吧
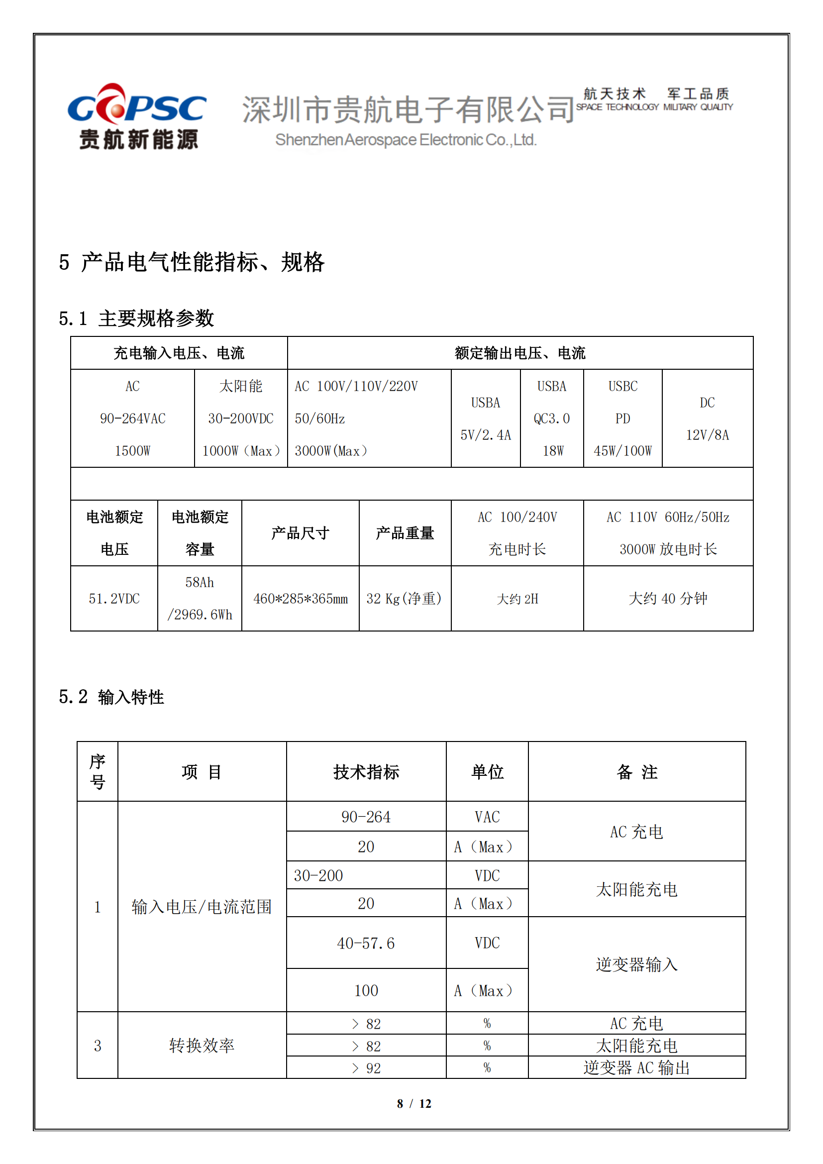
电压/容量
51.2V 58Ah
尺寸
430*285*365mm
重量
32Kg
添加微信
留言销售报价
产品详情
联系我们
电话咨询
021-35052209
留言厂家
欢迎给我们留言
微信客服
扫码咨询